Реставрация и ремонт mg-34
Модератор: Parabellum
-
Rambo
Автор темы - Старший сержант

- Сообщения: 202
- Зарегистрирован: 17 дек 2016
- Поблагодарили: 739 раз
- Карма: +0/-0
Реставрация и ремонт mg-34
Камрады, явно ведь кто-то делал!
Делимся информацией и схемами.
Начиная войну, не забудьте захватить побольше мешков для трупов...
| Ссылка: | |
| BBcode: | |
| HTML: | |
| Скрыть ссылки на пост |
-
Vladislav
- Сержант

- Сообщения: 153
- Зарегистрирован: 08 дек 2016
- Откуда: Партизаны Востока
- Поблагодарили: 475 раз
- Карма: +0/-0
Реставрация и ремонт mg-34
Выставлю свой приклад раннего образца с перьями.
Изначально приклад был поломан, ржавые перья представляли из себя такое (фото не мое, но где-то так)
После чистки темные места естественно стали дырками.
-
Vladislav
- Сержант

- Сообщения: 153
- Зарегистрирован: 08 дек 2016
- Откуда: Партизаны Востока
- Поблагодарили: 475 раз
- Карма: +0/-0
Реставрация и ремонт mg-34
Приклад был склеен эпоксидкой с добавлением коричневой пудры для цвета. Затем зашлифован. Недостающий кусок, на месте которого была дыра, вылеплен из той же эпоксидки.
Металлические детали состоят из складских и копаных почищенных и завороненных. Пружина кнопки подбиралась на глазок.
-
Vladislav
- Сержант

- Сообщения: 153
- Зарегистрирован: 08 дек 2016
- Откуда: Партизаны Востока
- Поблагодарили: 475 раз
- Карма: +0/-0
Реставрация и ремонт mg-34
Перья были одтаны сварщику, который заварил дыры и где мог каверны. Затем шлифовались с помощью дремела и наждачной бумаги.
Перья прикручены к прикладу обычными винтиками с гайками, шляпки которых затем сошлифованы уже на месте.
-
Rambo
Автор темы - Старший сержант

- Сообщения: 202
- Зарегистрирован: 17 дек 2016
- Поблагодарили: 739 раз
- Карма: +0/-0
Начиная войну, не забудьте захватить побольше мешков для трупов...
| Ссылка: | |
| BBcode: | |
| HTML: | |
| Скрыть ссылки на пост |
-
Rambo
Автор темы - Старший сержант

- Сообщения: 202
- Зарегистрирован: 17 дек 2016
- Поблагодарили: 739 раз
- Карма: +0/-0
Начиная войну, не забудьте захватить побольше мешков для трупов...
| Ссылка: | |
| BBcode: | |
| HTML: | |
| Скрыть ссылки на пост |
-
Rambo
Автор темы - Старший сержант

- Сообщения: 202
- Зарегистрирован: 17 дек 2016
- Поблагодарили: 739 раз
- Карма: +0/-0
Реставрация и ремонт mg-34
Пламегаситель, спусковой крючок и кнопка стакана приклада. Добавляем, что имеем еще 
Начиная войну, не забудьте захватить побольше мешков для трупов...
| Ссылка: | |
| BBcode: | |
| HTML: | |
| Скрыть ссылки на пост |
-
Rambo
Автор темы - Старший сержант

- Сообщения: 202
- Зарегистрирован: 17 дек 2016
- Поблагодарили: 739 раз
- Карма: +0/-0
Начиная войну, не забудьте захватить побольше мешков для трупов...
| Ссылка: | |
| BBcode: | |
| HTML: | |
| Скрыть ссылки на пост |
-
Vladislav
- Сержант

- Сообщения: 153
- Зарегистрирован: 08 дек 2016
- Откуда: Партизаны Востока
- Поблагодарили: 475 раз
- Карма: +0/-0
Реставрация и ремонт mg-34
Не люблю копаные детали при сборке солянки, но иногда приходится использовать и их. Особенно в последнее время, когда найти оригинал за приемлемые деньги очень трудно. Тем более если деталь не большая и не бросается в глаза, а то и находится внутри. На этих снимках из копаных - основание кнопки предохранителя и двуплечный рычаг.
Много деталей в рукоятке тоже копаные - их совсем не видно. Щечки рукоятки новодльные из эпоксидки с наполнителем "под бакелит", продавались у соседей. Также новодельные клипсы и винты их крепления (состарены с помощью клевера), и заглушка, закрывающая отверстие на ранней рукоятке без механизма замедления стрельбы. Фото сильно передает разные оттенки воронения. Вживую чернота относительно ровная. Все взводится, щелкает и работает штатно 
-
Rambo
Автор темы - Старший сержант

- Сообщения: 202
- Зарегистрирован: 17 дек 2016
- Поблагодарили: 739 раз
- Карма: +0/-0
Реставрация и ремонт mg-34
Неплохо бы их состарить. Камрады, чем обработать и заматировать поверхность стали, чтобы деталь выглядела вот так?
Начиная войну, не забудьте захватить побольше мешков для трупов...
| Ссылка: | |
| BBcode: | |
| HTML: | |
| Скрыть ссылки на пост |
-
Vladislav
- Сержант

- Сообщения: 153
- Зарегистрирован: 08 дек 2016
- Откуда: Партизаны Востока
- Поблагодарили: 475 раз
- Карма: +0/-0
Реставрация и ремонт mg-34
Есть такой рецепт: "Быстро состарить металлические изделия можно с помощью уксуса (1/4 стакана) и соли (2 столовые ложки). Смешивают оба вещества и в полученный раствор погружают металлическую деталь. Состав перемешивают, накрывают крышкой с отверстиями и оставляют на 12 часов. Затем детали достают и просушивают на газете. Если образовались излишки ржавчины, можно зачистить их наждачной бумагой."
Если честно, еще не пробовал. Но вы правы - перья на моем прикладе сильно блестят. Будет время и желание, нужно будет попробовать. Пишут еще, что можно использовать гель для чистки унитазов, его наносят на поверхность изделия на несколько часов.
-
Rambo
Автор темы - Старший сержант

- Сообщения: 202
- Зарегистрирован: 17 дек 2016
- Поблагодарили: 739 раз
- Карма: +0/-0
Начиная войну, не забудьте захватить побольше мешков для трупов...
| Ссылка: | |
| BBcode: | |
| HTML: | |
| Скрыть ссылки на пост |
-
Rambo
Автор темы - Старший сержант

- Сообщения: 202
- Зарегистрирован: 17 дек 2016
- Поблагодарили: 739 раз
- Карма: +0/-0
Начиная войну, не забудьте захватить побольше мешков для трупов...
| Ссылка: | |
| BBcode: | |
| HTML: | |
| Скрыть ссылки на пост |
-
Rambo
Автор темы - Старший сержант

- Сообщения: 202
- Зарегистрирован: 17 дек 2016
- Поблагодарили: 739 раз
- Карма: +0/-0
Начиная войну, не забудьте захватить побольше мешков для трупов...
| Ссылка: | |
| BBcode: | |
| HTML: | |
| Скрыть ссылки на пост |
-
Rambo
Автор темы - Старший сержант

- Сообщения: 202
- Зарегистрирован: 17 дек 2016
- Поблагодарили: 739 раз
- Карма: +0/-0
Начиная войну, не забудьте захватить побольше мешков для трупов...
| Ссылка: | |
| BBcode: | |
| HTML: | |
| Скрыть ссылки на пост |
-
Rambo
Автор темы - Старший сержант

- Сообщения: 202
- Зарегистрирован: 17 дек 2016
- Поблагодарили: 739 раз
- Карма: +0/-0
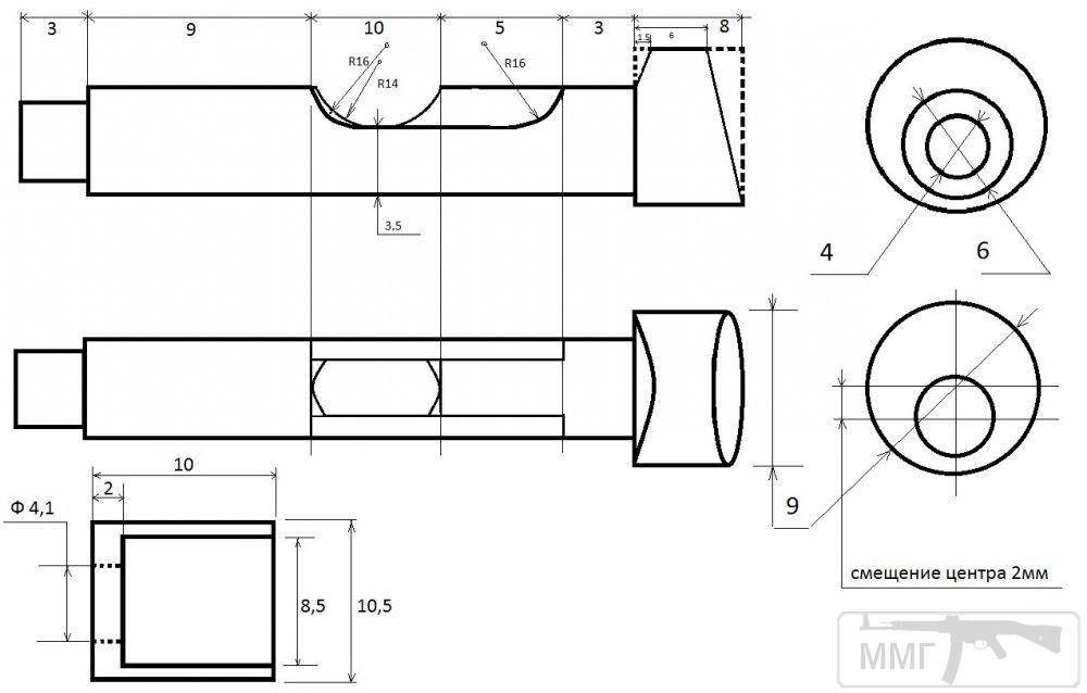
Реставрация и ремонт mg-34
Шторка.
Состояние очень плачевное, так что с размерами могут быть неточности. Общая длина шторки ближе к 86,5мм (с) автор чертежей fideleos
Начиная войну, не забудьте захватить побольше мешков для трупов...
| Ссылка: | |
| BBcode: | |
| HTML: | |
| Скрыть ссылки на пост |
-
Rambo
Автор темы - Старший сержант

- Сообщения: 202
- Зарегистрирован: 17 дек 2016
- Поблагодарили: 739 раз
- Карма: +0/-0
Начиная войну, не забудьте захватить побольше мешков для трупов...
| Ссылка: | |
| BBcode: | |
| HTML: | |
| Скрыть ссылки на пост |
-
Rambo
Автор темы - Старший сержант

- Сообщения: 202
- Зарегистрирован: 17 дек 2016
- Поблагодарили: 739 раз
- Карма: +0/-0
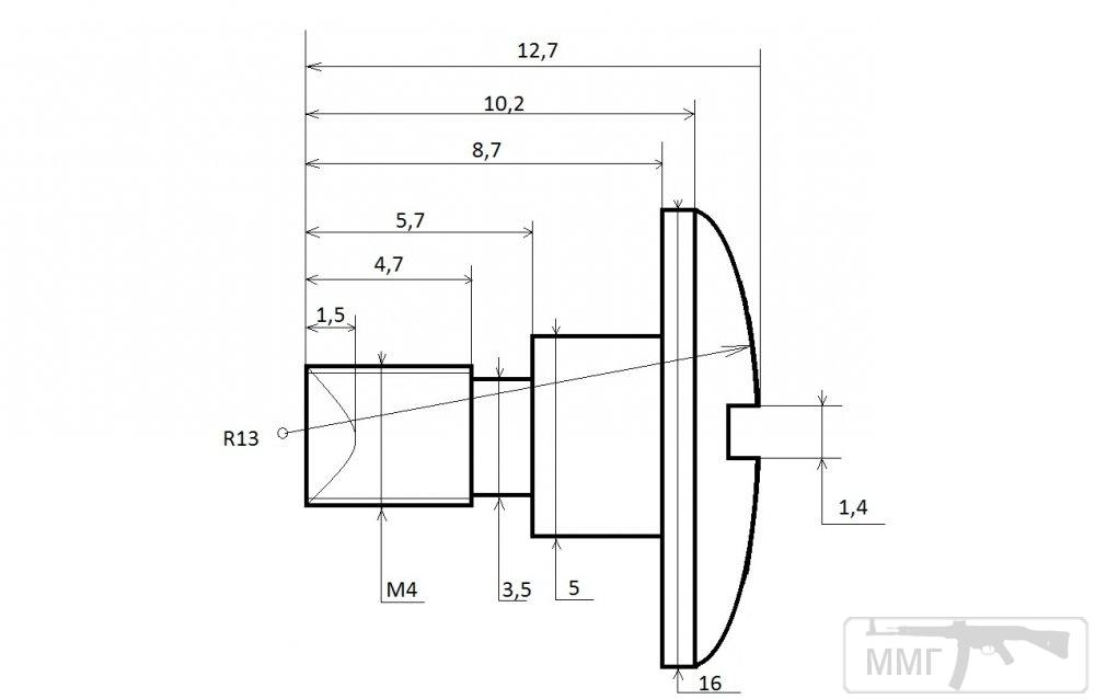
Реставрация и ремонт mg-34
Пружины.
Размеры нужно перепроверить. Пишут, что имеются ошибки по пружинам.
Начиная войну, не забудьте захватить побольше мешков для трупов...
| Ссылка: | |
| BBcode: | |
| HTML: | |
| Скрыть ссылки на пост |
-
Rambo
Автор темы - Старший сержант

- Сообщения: 202
- Зарегистрирован: 17 дек 2016
- Поблагодарили: 739 раз
- Карма: +0/-0
Начиная войну, не забудьте захватить побольше мешков для трупов...
| Ссылка: | |
| BBcode: | |
| HTML: | |
| Скрыть ссылки на пост |
-
Rambo
Автор темы - Старший сержант

- Сообщения: 202
- Зарегистрирован: 17 дек 2016
- Поблагодарили: 739 раз
- Карма: +0/-0
Начиная войну, не забудьте захватить побольше мешков для трупов...
| Ссылка: | |
| BBcode: | |
| HTML: | |
| Скрыть ссылки на пост |



































